
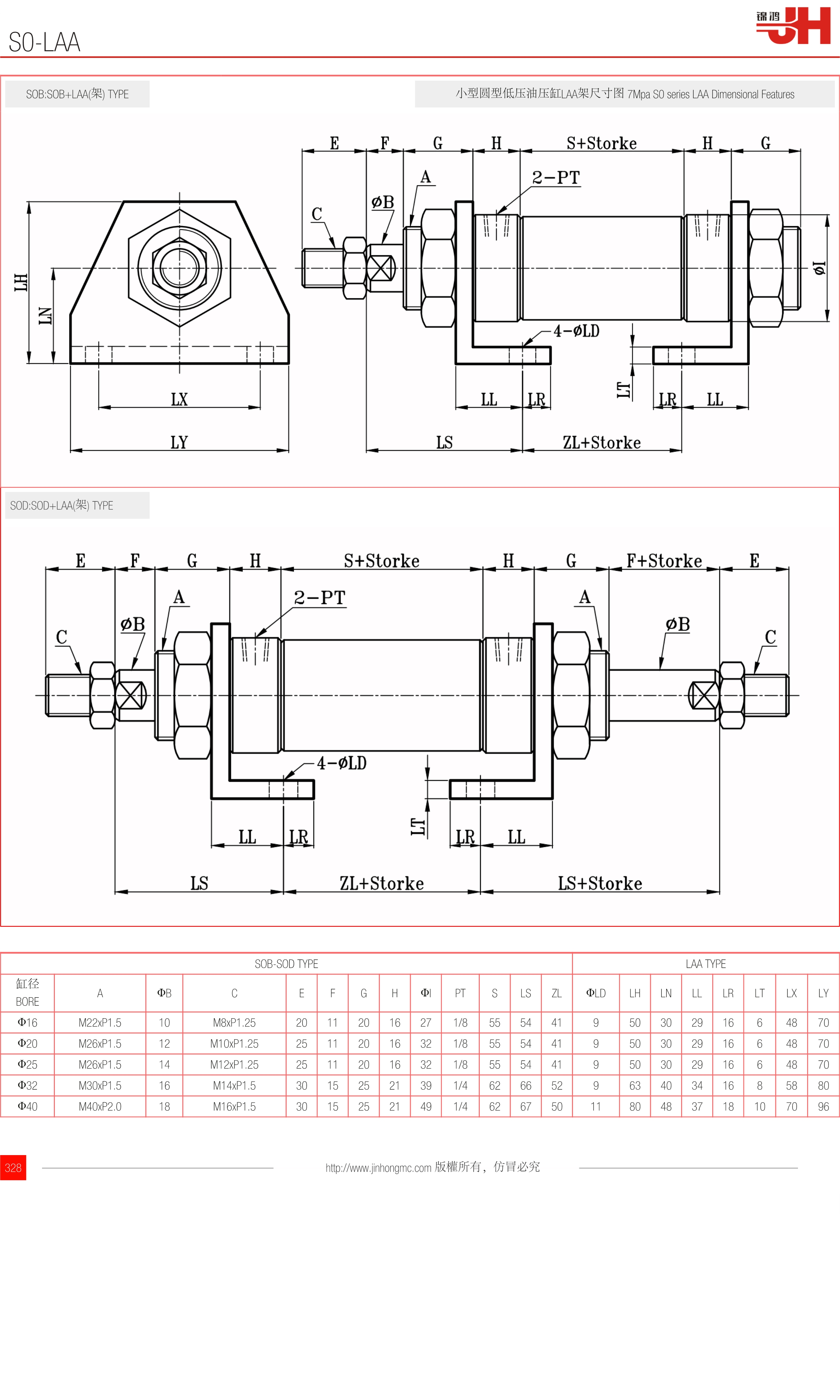
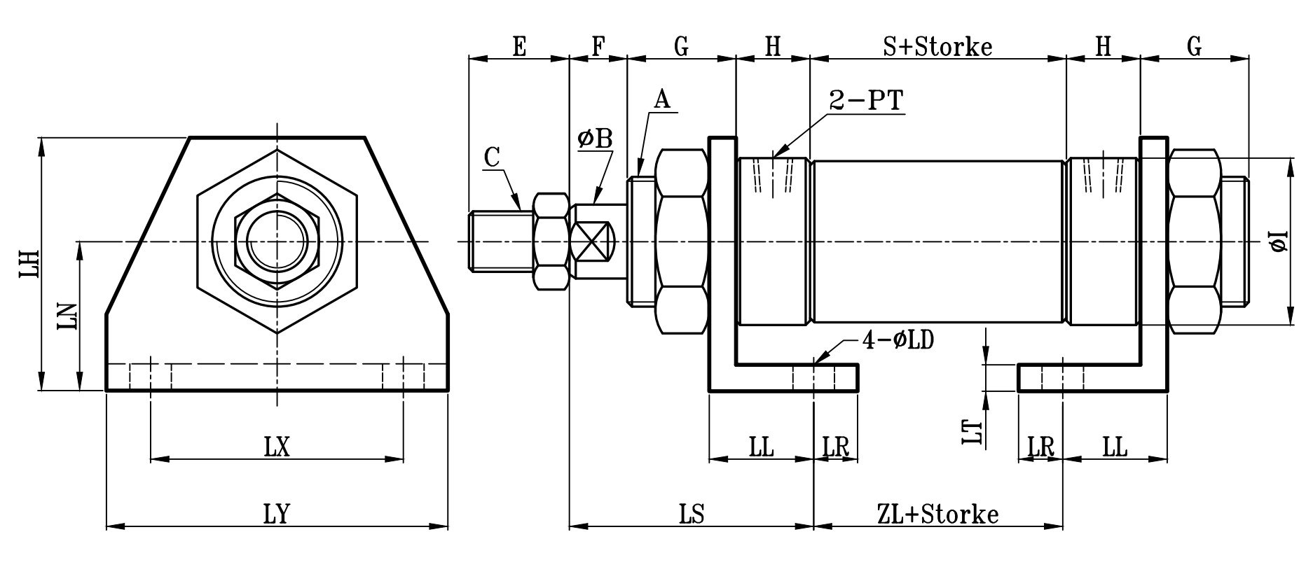
SOB:SOB+LAA(架) TYPE | 小型圓型低壓油壓缸LAA架尺寸圖 7Mpa S0 series LAA Dimensional Features |
![]() | |
SOD:SOD+LAA(架) TYPE

| SOB-SOD TYPE | LAA TYPE | |||||||||||||||||||
| 缸徑 BORE | A | ΦB | C | E | F | G | H | ΦI | PT | S | LS | ZL | ΦLD | LH | LN | LL | LR | LT | LX | LY |
| Φ16 | M22xP1.5 | 10 | M8xP1.25 | 20 | 11 | 20 | 16 | 27 | 1/8 | 55 | 54 | 41 | 9 | 50 | 30 | 29 | 16 | 6 | 48 | 70 |
| Φ20 | M26xP1.5 | 12 | M10xP1.25 | 25 | 11 | 20 | 16 | 32 | 1/8 | 55 | 54 | 41 | 9 | 50 | 30 | 29 | 16 | 6 | 48 | 70 |
| Φ25 | M26xP1.5 | 14 | M12xP1.25 | 25 | 11 | 20 | 16 | 32 | 1/8 | 55 | 54 | 41 | 9 | 50 | 30 | 29 | 16 | 6 | 48 | 70 |
| Φ32 | M30xP1.5 | 16 | M14xP1.5 | 30 | 15 | 25 | 21 | 39 | 1/4 | 62 | 66 | 52 | 9 | 63 | 40 | 34 | 16 | 8 | 58 | 80 |
| Φ40 | M40xP2.0 | 18 | M16xP1.5 | 30 | 15 | 25 | 21 | 49 | 1/4 | 62 | 67 | 50 | 11 | 80 | 48 | 37 | 18 | 10 | 70 | 96 |
訂購:s0-laa