
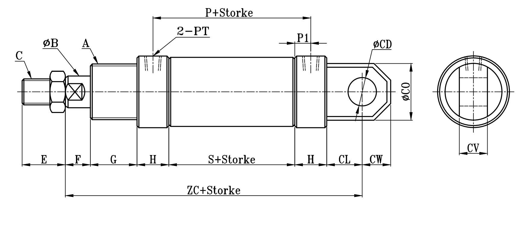
SOB:SOB+CA TYPE | 小型圓型低壓油壓缸CA,CB板尺寸圖 7Mpa S0 series CA,CB Dimensional Features |
![]() | |
SOB:SOB+CB TYPE

| SOB TYPE | CA、CB TYPE | |||||||||||||||||||
| 缸徑 BORE | A | ΦB | C | E | F | G | H | ΦI | P | P1 | PT | S | ZC | ΦCD | CL | CW | ΦCO | ΦCO1 | CV | CX |
| Φ16 | M22xP1.5 | 10 | M8xP1.25 | 20 | 11 | 20 | 16 | 27 | 71 | 8 | 1/8 | 55 | 133 | 10 | 15 | 11 | 22 | 20 | 10 | 21 |
| Φ20 | M26xP1.5 | 12 | M10xP1.25 | 25 | 11 | 20 | 16 | 32 | 71 | 8 | 1/8 | 55 | 136 | 12 | 18 | 13 | 27 | 25 | 12 | 25 |
| Φ25 | M26xP1.5 | 14 | M12xP1.25 | 25 | 11 | 20 | 16 | 32 | 71 | 8 | 1/8 | 55 | 136 | 12 | 18 | 13 | 27 | 25 | 12 | 25 |
| Φ32 | M30xP1.5 | 16 | M14xP1.5 | 30 | 15 | 25 | 21 | 39 | 83 | 10.5 | 1/4 | 62 | 162 | 12 | 18 | 13 | 27 | 25 | 12 | 25 |
| Φ40 | M40xP2.0 | 18 | M16xP1.5 | 30 | 15 | 25 | 21 | 49 | 83 | 10.5 | 1/4 | 62 | 166 | 16 | 22 | 17 | 35 | 32 | 15 | 30 |
訂購(gòu):s0-ca-cb