
H/I:H、I(H槽、內牙全系共用)TYPE | 小型圓型低壓油壓缸尺寸圖 7Mpa S0 series Dimensional Features |
H:H槽型![]() | I:內牙型![]() |
SOB:SO+B(標準型) TYPE

SOD:SOD+AST(雙軸型附可調帽) TYPE

| SOB-SOD TYPE | E外牙型 | I內牙型 | H型槽 | ||||||||||||||||||
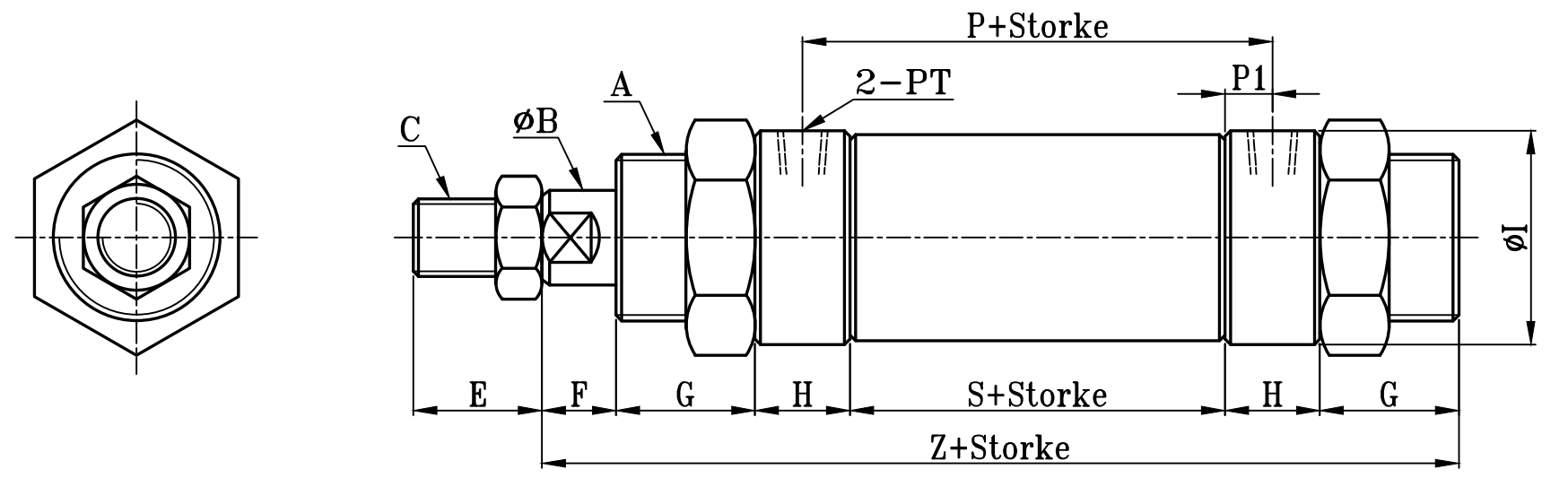
| 缸徑 BORE | A | ΦB | F | G | H | ΦI | P | P1 | PT | S | Z | ZD | ZF | ZM | AH | C | E | J | JH | W | ΦV |
| Φ16 | M22xP1.5 | 10 | 11 | 20 | 16 | 27 | 71 | 8 | 1/8 | 55 | 138 | 149 | 169 | 167 | 18 | M8xP1.25 | 20 | M6xP1.0 | 15 | 8 | 5 |
| Φ20 | M26xP1.5 | 12 | 11 | 20 | 16 | 32 | 71 | 8 | 1/8 | 55 | 138 | 149 | 174 | 174 | 22 | M10xP1.25 | 25 | M8xP1.25 | 15 | 10 | 7 |
| Φ25 | M26xP1.5 | 14 | 11 | 20 | 16 | 32 | 71 | 8 | 1/8 | 55 | 138 | 149 | 174 | 174 | 22 | M12xP1.25 | 25 | M10xP1.5 | 15 | 10 | 9 |
| Φ32 | M30xP1.5 | 16 | 15 | 25 | 21 | 39 | 83 | 10.5 | 1/4 | 62 | 169 | 184 | 214 | 208 | 24 | M14xP1.5 | 30 | M12xP1.75 | 20 | 10 | 11 |
| Φ40 | M40xP2.0 | 18 | 15 | 25 | 21 | 49 | 83 | 10.5 | 1/4 | 62 | 169 | 184 | 214 | 213 | 29 | M16xP1.5 | 30 | M14xP2.0 | 20 | 10 | 12 |
訂購:s0-b-bh-d