
|
|
| |||||||
![]() | ||||||||
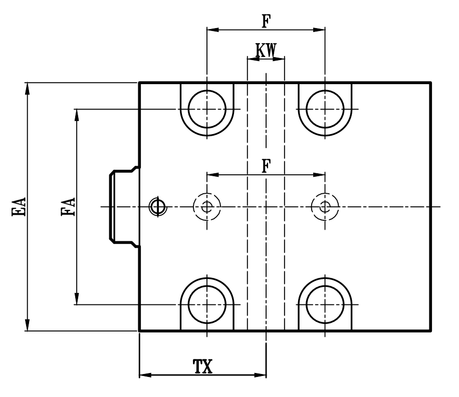
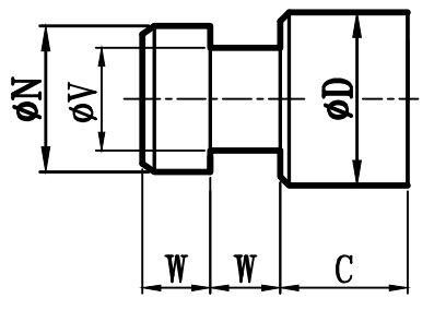
| JAB | I(內牙型) | E(外牙型) | H型槽 | ||||||||||||||||||||
| 缸徑 MORE | A | B | C | ΦD | F | EA | FA | EB | LH | E | ΦK | TX | KW | ΦM | H | R0 | J | JH | 0 | OL | W | ΦV | ΦN |
| Φ25 | 73 | 66 | 7 | 16 | 23 | 60 | 46 | 50 | 26 | 14 | 7 | 36 | 6 | 9. 5 | 7 | Φ13深 1.3 | M8xP1.25 | 20 | M12xP1.25 | 20 | 6 | 9 | 14 |
| Φ32 | 84 | 76 | 8 | 18 | 29 | 75 | 62 | 66 | 38 | 16 | 9 | 45 | 8 | 14 | 9 | Φ16深 1.7 | M8xP1.25 | 20 | M12xP1.25 | 20 | 8 | 14 | 16 |
| Φ40 | 95 | 85 | 10 | 22 | 34 | 90 | 72 | 76 | 45 | 19 | 11 | 50 | 8 | 17 | 11 | Φ20深 1.7 | M10xP1.5 | 25 | M16xP1.5 | 25 | 10 | 18 | 20 |
| Φ50 | 105 | 95 | 10 | 28 | 35 | 100 | 82 | 86 | 50 | 24 | 11 | 50 | 10 | 17 | 11 | Φ20深 1.7 | M16xP1. 5 | 30 | M20xP1.5 | 30 | 13 | 23 | 25 |
| Φ63 | 120 | 108 | 12 | 35 | 42 | 120 | 98 | 106 | 60 | 30 | 14 | 60 | 12 | 20 | 13 | Φ22深 1.7 | M20xP1. 5 | 40 | M27xP2.0 | 40 | 16 | 27 | 33 |
| Φ80 | 140 | 126 | 14 | 45 | 44 | 150 | 126 | 130 | 70 | 40 | 14 | 62 | 16 | 20 | 13 | Φ24深1.7 | M27xP2. 0 | 50 | M33xP2.0 | 50 | 20 | 32 | 42 |
| Φ100 | 154 | 140 | 14 | 55 | 48 | 170 | 146 | 155 | 85 | 50 | 16 | 73 | 16 | 23 | 15 | Φ24深 1.7 | M33xP2. 0 | 60 | M42xP2.0 | 60 | 30 | 40 | 53 |
| Φ125 | 180 | 165 | 15 | 70 | 56 | 200 | 170 | 182 | 100 | 65 | 18 | 82 | 20 | 23 | 15 | Φ24深 1.7 | M42xP2. 0 | 70 | M52xP2.0 | 70 | 30 | 50 | 67 |
訂購:ja-b