
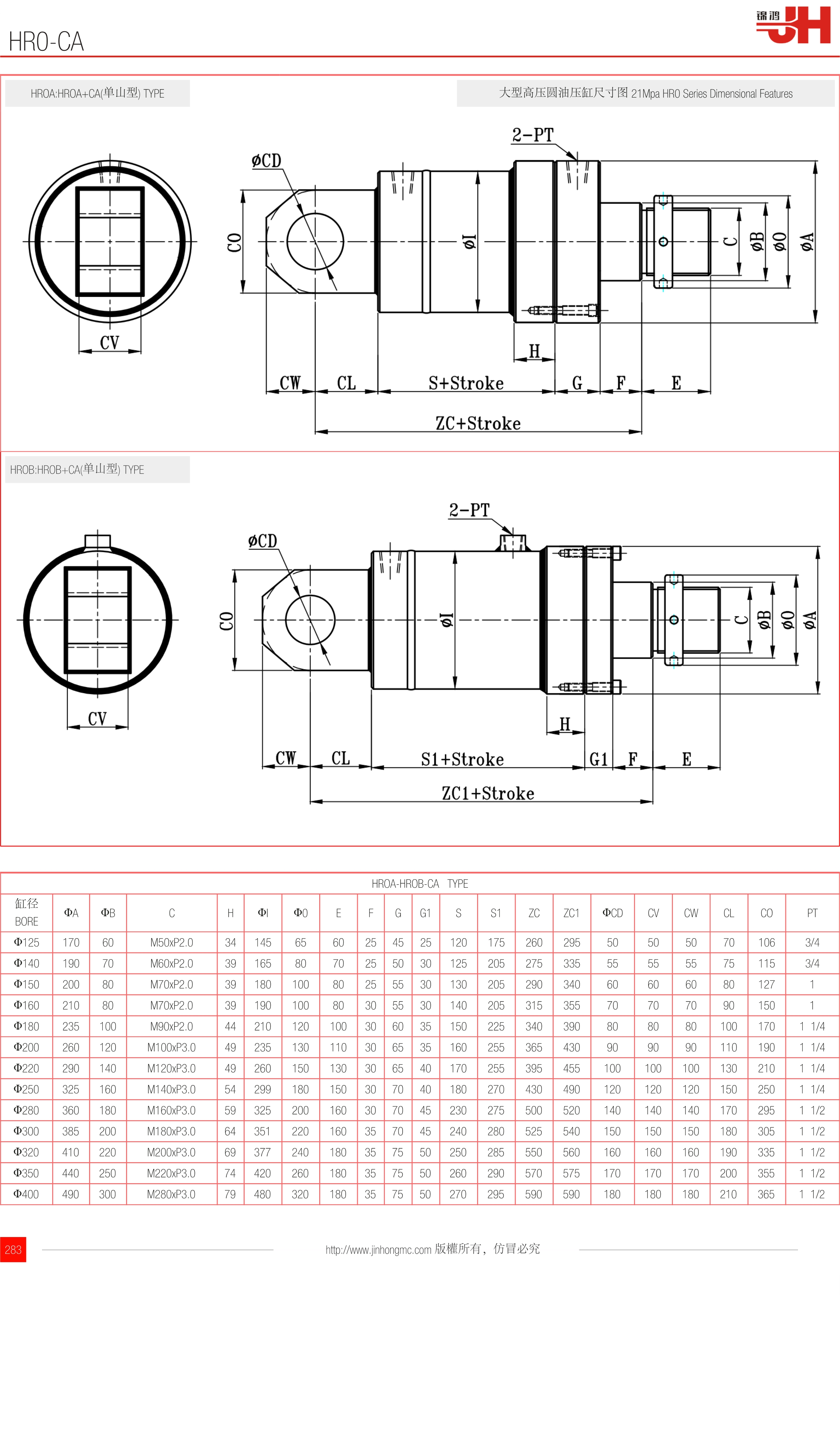
HROA:HROA+CA(單山型) TYPE | 大型高壓圓油壓缸尺寸圖 21Mpa HR0 Series Dimensional Features |
![]() | |
HROB:HROB+CA(單山型) TYPE

| HROA-HROB-CA TYPE | ||||||||||||||||||||
| 缸徑 BORE | ΦA | ΦB | C | H | ΦI | Φ0 | E | F | G | G1 | S | S1 | ZC | ZC1 | ΦCD | CV | CW | CL | CO | PT |
| Φ125 | 170 | 60 | M50xP2.0 | 34 | 145 | 65 | 60 | 25 | 45 | 25 | 120 | 175 | 260 | 295 | 50 | 50 | 50 | 70 | 106 | 3/4 |
| Φ140 | 190 | 70 | M60xP2.0 | 39 | 165 | 80 | 70 | 25 | 50 | 30 | 125 | 205 | 275 | 335 | 55 | 55 | 55 | 75 | 115 | 3/4 |
| Φ150 | 200 | 80 | M70xP2.0 | 39 | 180 | 100 | 80 | 25 | 55 | 30 | 130 | 205 | 290 | 340 | 60 | 60 | 60 | 80 | 127 | 1 |
| Φ160 | 210 | 80 | M70xP2.0 | 39 | 190 | 100 | 80 | 30 | 55 | 30 | 140 | 205 | 315 | 355 | 70 | 70 | 70 | 90 | 150 | 1 |
| Φ180 | 235 | 100 | M90xP2.0 | 44 | 210 | 120 | 100 | 30 | 60 | 35 | 150 | 225 | 340 | 390 | 80 | 80 | 80 | 100 | 170 | 1 1/4 |
| Φ200 | 260 | 120 | M100xP3.0 | 49 | 235 | 130 | 110 | 30 | 65 | 35 | 160 | 255 | 365 | 430 | 90 | 90 | 90 | 110 | 190 | 1 1/4 |
| Φ220 | 290 | 140 | M120xP3.0 | 49 | 260 | 150 | 130 | 30 | 65 | 40 | 170 | 255 | 395 | 455 | 100 | 100 | 100 | 130 | 210 | 1 1/4 |
| Φ250 | 325 | 160 | M140xP3.0 | 54 | 299 | 180 | 150 | 30 | 70 | 40 | 180 | 270 | 430 | 490 | 120 | 120 | 120 | 150 | 250 | 1 1/4 |
| Φ280 | 360 | 180 | M160xP3.0 | 59 | 325 | 200 | 160 | 30 | 70 | 45 | 230 | 275 | 500 | 520 | 140 | 140 | 140 | 170 | 295 | 1 1/2 |
| Φ300 | 385 | 200 | M180xP3.0 | 64 | 351 | 220 | 160 | 35 | 70 | 45 | 240 | 280 | 525 | 540 | 150 | 150 | 150 | 180 | 305 | 1 1/2 |
| Φ320 | 410 | 220 | M200xP3.0 | 69 | 377 | 240 | 180 | 35 | 75 | 50 | 250 | 285 | 550 | 560 | 160 | 160 | 160 | 190 | 335 | 1 1/2 |
| Φ350 | 440 | 250 | M220xP3.0 | 74 | 420 | 260 | 180 | 35 | 75 | 50 | 260 | 290 | 570 | 575 | 170 | 170 | 170 | 200 | 355 | 1 1/2 |
| Φ400 | 490 | 300 | M280xP3.0 | 79 | 480 | 320 | 180 | 35 | 75 | 50 | 270 | 295 | 590 | 590 | 180 | 180 | 180 | 210 | 365 | 1 1/2 |
訂購:hr0-ca