
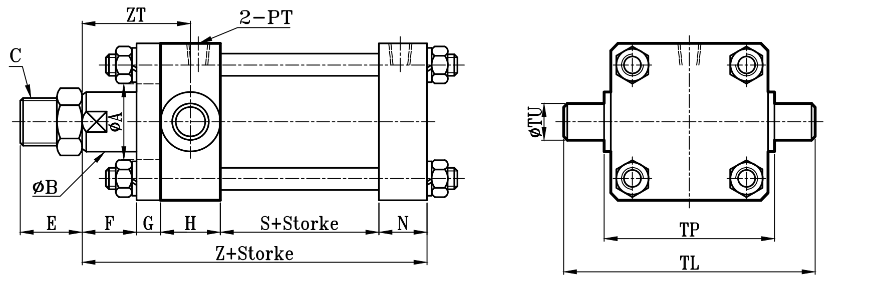
HOB:HOB+TA TYPE | 方型重型油壓缸TA板尺寸圖 14Mpa Hydraulic Cylinders TA Dimensional Features |
![]() | |
HOB:HOB+TB TYPE

HOD:HOD+TA TYPE

| HOB-HOD TYPE | TA/TB TYPE | |||||||||||||||||
| 缸徑 BORE | ΦA(chǔ) | ΦB | C | E | F | G | H | N | PT | S | Z | ZD | ZT | ZTB | TB | ΦTU | TL | TP |
| Φ32 | 31 | 18 | M16xP1.5 | 30 | 15 | 14 | 28 | 25 | 1/4" | 50 | 132 | 164 | 43 | 135 | 14 | 16 | 92 | 60 |
| Φ40 | 38 | 25 | M22xP1.5 | 35 | 20 | 14 | 28 | 25 | 3/8" | 50 | 137 | 174 | 48 | 140 | 14 | 20 | 115 | 75 |
| Φ50 | 44 | 30 | M26xP1.5 | 40 | 20 | 16 | 33 | 28 | 3/8" | 55 | 152 | 193 | 52.5 | 157 | 16.5 | 25 | 140 | 90 |
| Φ63 | 49 | 35 | M30xP1.5 | 40 | 20 | 16 | 33 | 28 | 3/8" | 55 | 152 | 193 | 52.5 | 157 | 16.5 | 30 | 160 | 100 |
| Φ80 | 54 | 40 | M30xP1.5 M36xP1.5 可選 | 45 | 25 | 18 | 38 | 33 | 1/2" | 60 | 174 | 222 | 62 | 179 | 19 | 30 | 190 | 120 |
| Φ100 | 64 | 50 | M40xP2.0 | 50 | 25 | 20 | 38 | 33 | 1/2" | 80 | 196 | 246 | 64 | 201 | 19 | 35 | 225 | 145 |
| Φ125 | 74 | 60 | M50xP2.0 | 60 | 30 | 24 | 43 | 38 | 3/4" | 80 | 215 | 274 | 75.5 | 220 | 21.5 | 40 | 277 | 177 |
| Φ150 | 97 | 80 | M70xP2.0 | 80 | 30 | 29 | 48 | 43 | 3/4" | 90 | 240 | 304 | 83 | 245 | 24 | 45 | 310 | 210 |
| Φ160 | 97 | 80 | M70xP2.0 | 80 | 30 | 29 | 48 | 43 | 3/4" | 90 | 240 | 304 | 83 | 245 | 24 | 45 | 320 | 220 |
| Φ180 | 117 | 100 | M90xP2.0 | 100 | 35 | 34 | 58 | 48 | 1" | 100 | 275 | 354 | 98 | 285 | 29 | 55 | 370 | 250 |
| Φ200 | 117 | 100 | M90xP2.0 | 100 | 35 | 39 | 58 | 53 | 1" | 100 | 285 | 364 | 103 | 290 | 29 | 55 | 395 | 275 |
| Φ220 | 150 | 125 | M100xP3.0 | no | 35 | 44 | 68 | 58 | 1 1/4" | 110 | 315 | 404 | 113 | 325 | 34 | 65 | 440 | 300 |
| Φ250 | 150 | 125 | M100xP3.0 | 110 | 35 | 49 | 68 | 63 | 1 1/4" | 110 | 325 | 414 | 118 | 330 | 34 | 65 | 470 | 330 |
訂購:h0-ta-tb