
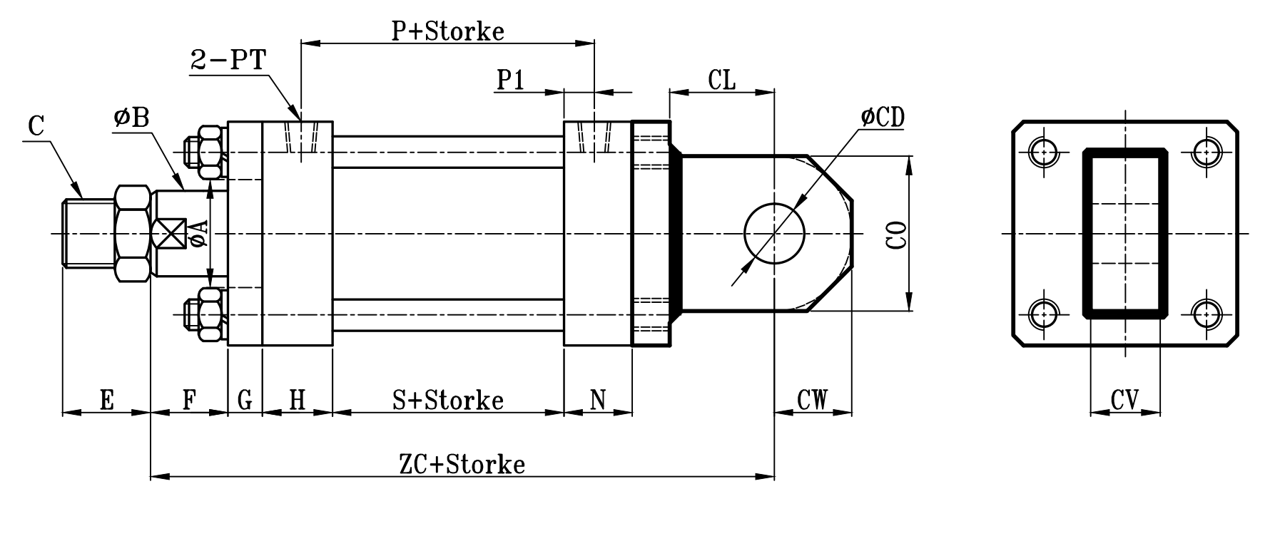
HOB:HOB+CA TYPE | 方型重型油壓缸CA,CB板尺寸圖 14Mpa Hydraulic Cylinders CA,CB Dimensional Features |
![]() | |
HOB:HOB+CB TYPE

| HOB TYPE | CA-CB TYPE | ||||||||||||||||||
| 缸徑 BORE | ΦA | ΦB | C | E | F | G | H | N | P | P1 | PT | S | ZC | CL | CW | ΦCD | CO | CV | CX |
| Φ32 | 31 | 18 | M16xP1.5 | 30 | 15 | 14 | 28 | 25 | 71 | 10.5 | 1/4" | 50 | 167 | 25 | 16 | 16 | 32 | 16 | 33 |
| Φ40 | 38 | 25 | M22xP1.5 | 35 | 20 | 14 | 28 | 25 | 71 | 10. 5 | 3/8" | 50 | 179 | 30 | 20 | 20 | 40 | 20 | 41 |
| Φ50 | 44 | 30 | M26xP1.5 | 40 | 20 | 16 | 33 | 28 | 80 | 12.5 | 3/8" | 55 | 201 | 35 | 25 | 25 | 50 | 25 | 51 |
| Φ63 | 49 | 35 | M30xP1.5 | 40 | 20 | 16 | 33 | 28 | 80 | 12. 5 | 3/8" | 55 | 208 | 40 | 30 | 30 | 60 | 30 | 61 |
| Φ80 | 54 | 40 | M30xP1.5 M36xP1.5 可選 | 45 | 25 | 18 | 38 | 33 | 91 | 15.5 | 1/2" | 60 | 242 | 50 | 35 | 35 | 70 | 35 | 71 |
| Φ100 | 64 | 50 | M40xP2.0 | 50 | 25 | 20 | 38 | 33 | 111 | 15.5 | 1/2" | 80 | 276 | 60 | 40 | 40 | 80 | 40 | 81 |
| Φ125 | 74 | 60 | M50xP2.0 | 60 | 30 | 24 | 43 | 38 | 116 | 18 | 3/4" | 80 | 314 | 75 | 50 | 50 | 100 | 50 | 101 |
| Φ150 | 97 | 80 | M70xP2.0 | 80 | 30 | 29 | 48 | 43 | 130 | 20 | 3/4" | 90 | 354 | 85 | 60 | 60 | 120 | 60 | 121 |
| Φ160 | 97 | 80 | M70xP2.0 | 80 | 30 | 29 | 48 | 43 | 130 | 20 | 3/4" | 90 | 354 | 85 | 60 | 60 | 120 | 60 | 121 |
| Φ180 | 117 | 100 | M90xP2.0 | 100 | 35 | 34 | 58 | 48 | 146 | 23 | 1" | 100 | 413 | 100 | 75 | 75 | 150 | 75 | 151 |
| Φ200 | 117 | 100 | M90xP2.0 | 100 | 35 | 39 | 58 | 53 | 146 | 23 | 1" | 100 | 423 | 100 | 75 | 75 | 150 | 75 | 151 |
| Φ220 | 150 | 125 | M100xP3.0 | 110 | 35 | 44 | 68 | 58 | 166 | 28 | 1 1/4" | 110 | 483 | 120 | 90 | 90 | 180 | 90 | 181 |
| Φ250 | 150 | 125 | M100xP3.0 | 110 | 35 | 49 | 68 | 63 | 166 | 28 | 1 1/4" | 110 | 493 | 120 | 90 | 90 | 180 | 90 | 181 |
訂購:h0-ca-cb