
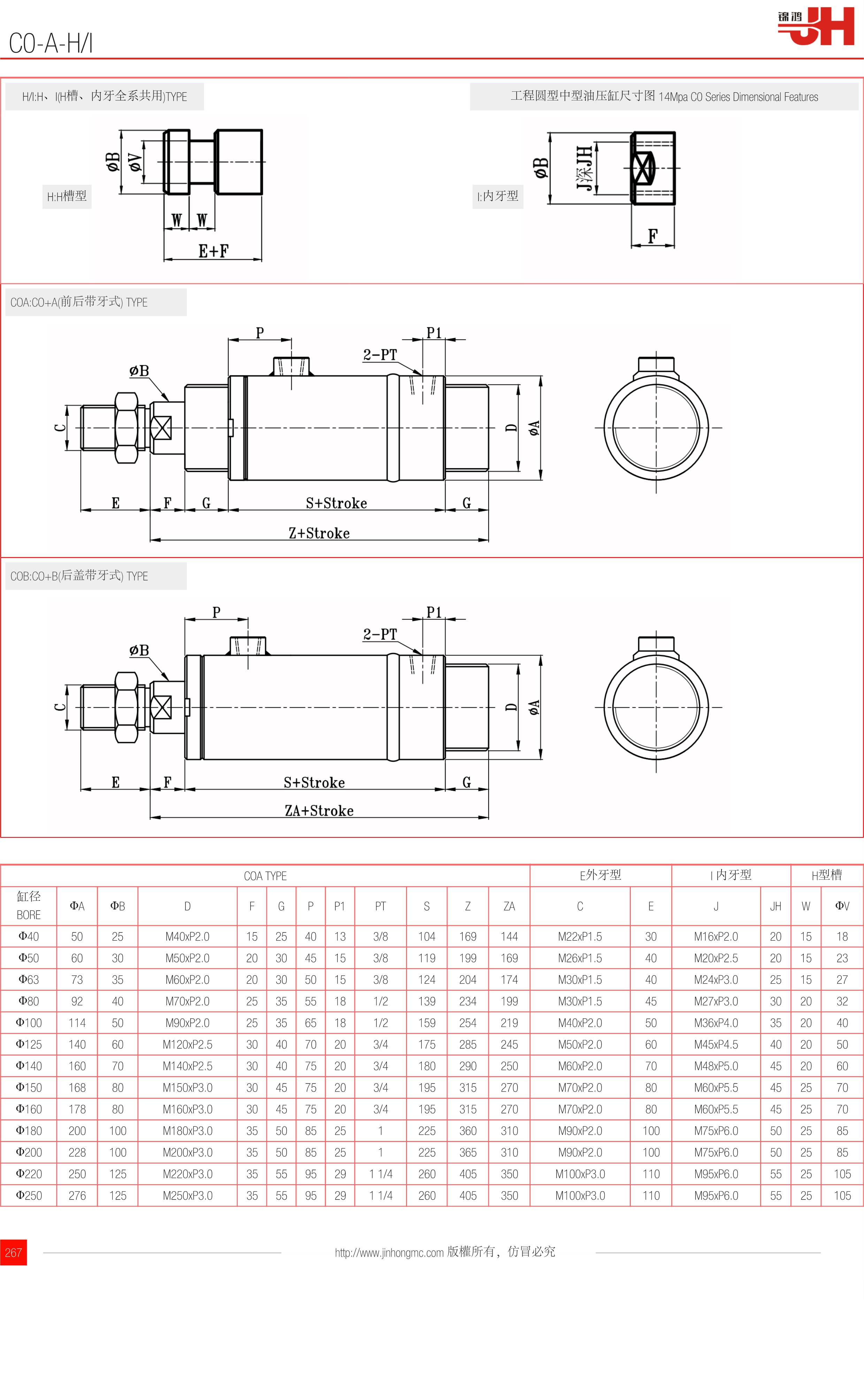
H/I:H、I(H槽、內牙全系共用)TYPE | 工程圓型中型油壓缸尺寸圖 14Mpa C0 Series Dimensional Features |
H:H槽型![]() | I:內牙型![]() |
COA:CO+A(前后帶牙式) TYPE

COB:CO+B(后蓋帶牙式) TYPE

| COA TYPE | E外牙型 | I 內牙型 | H型槽 | ||||||||||||||
| 缸徑 BORE | ΦA | ΦB | D | F | G | P | P1 | PT | S | Z | ZA | C | E | J | JH | W | ΦV |
| Φ40 | 50 | 25 | M40xP2.0 | 15 | 25 | 40 | 13 | 3/8 | 104 | 169 | 144 | M22xP1.5 | 30 | M16xP2.0 | 20 | 15 | 18 |
| Φ50 | 60 | 30 | M50xP2.0 | 20 | 30 | 45 | 15 | 3/8 | 119 | 199 | 169 | M26xP1.5 | 40 | M20xP2.5 | 20 | 15 | 23 |
| Φ63 | 73 | 35 | M60xP2.0 | 20 | 30 | 50 | 15 | 3/8 | 124 | 204 | 174 | M30xP1.5 | 40 | M24xP3.0 | 25 | 15 | 27 |
| Φ80 | 92 | 40 | M70xP2.0 | 25 | 35 | 55 | 18 | 1/2 | 139 | 234 | 199 | M30xP1.5 | 45 | M27xP3.0 | 30 | 20 | 32 |
| Φ100 | 114 | 50 | M90xP2.0 | 25 | 35 | 65 | 18 | 1/2 | 159 | 254 | 219 | M40xP2.0 | 50 | M36xP4.0 | 35 | 20 | 40 |
| Φ125 | 140 | 60 | M120xP2.5 | 30 | 40 | 70 | 20 | 3/4 | 175 | 285 | 245 | M50xP2.0 | 60 | M45xP4.5 | 40 | 20 | 50 |
| Φ140 | 160 | 70 | M140xP2.5 | 30 | 40 | 75 | 20 | 3/4 | 180 | 290 | 250 | M60xP2.0 | 70 | M48xP5.0 | 45 | 20 | 60 |
| Φ150 | 168 | 80 | M150xP3.0 | 30 | 45 | 75 | 20 | 3/4 | 195 | 315 | 270 | M70xP2.0 | 80 | M60xP5.5 | 45 | 25 | 70 |
| Φ160 | 178 | 80 | M160xP3.0 | 30 | 45 | 75 | 20 | 3/4 | 195 | 315 | 270 | M70xP2.0 | 80 | M60xP5.5 | 45 | 25 | 70 |
| Φ180 | 200 | 100 | M180xP3.0 | 35 | 50 | 85 | 25 | 1 | 225 | 360 | 310 | M90xP2.0 | 100 | M75xP6.0 | 50 | 25 | 85 |
| Φ200 | 228 | 100 | M200xP3.0 | 35 | 50 | 85 | 25 | 1 | 225 | 365 | 310 | M90xP2.0 | 100 | M75xP6.0 | 50 | 25 | 85 |
| Φ220 | 250 | 125 | M220xP3.0 | 35 | 55 | 95 | 29 | 1 1/4 | 260 | 405 | 350 | M100xP3.0 | 110 | M95xP6.0 | 55 | 25 | 105 |
| Φ250 | 276 | 125 | M250xP3.0 | 35 | 55 | 95 | 29 | 1 1/4 | 260 | 405 | 350 | M100xP3.0 | 110 | M95xP6.0 | 55 | 25 | 105 |
訂購:c0-a-hi