

機械式精密型。
強力磁性底座,可隨意吸附于金屬表面以及圓柱上。
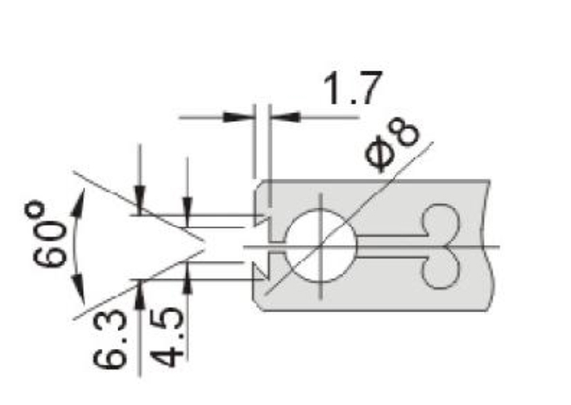
夾具范圍包括φ8,以及1/4"燕尾槽。


| 訂購編號 | 型號 | 杠桿規格 | L3 | 磁性座規相 | 吸力(N) | 重量 | |||
| Order No. | Model | L1 | L2 | L | W | H | N.W. | ||
| 5484-01 | BS330S | 110 | 75 | 65 | 60 | 50 | 55 | 80kgf | 1.5kg |
| 5484-02 | BS330M | 150 | 98 | 65 | 60 | 50 | 55 | 80kgf | 1.7kg |
| 5484-03 | BS330L | 185 | 145 | 70 | 80 | 50 | 55 | 100kgf | 2.2kg |
訂購:蛇形萬向磁性座 BS330 5484