

| M材質 | Inner Hardness I.H內部硬度 | Surface Hardness S.H表面硬度 | Heat Treatment 熱處理 |
| S45C | SR部HRC50°~55° | 局部處理 Partial | |
| SKD11 | HRC60°±2° | HRC60°±2° | 真空處理 Vacuumed |
| SKD61 | HRC36°±2° | HV1000°±100° | 氮化處理 Nitrided |
| HRC52°±2° | HRC52°±2° | 真空處理 Vacuumed | |
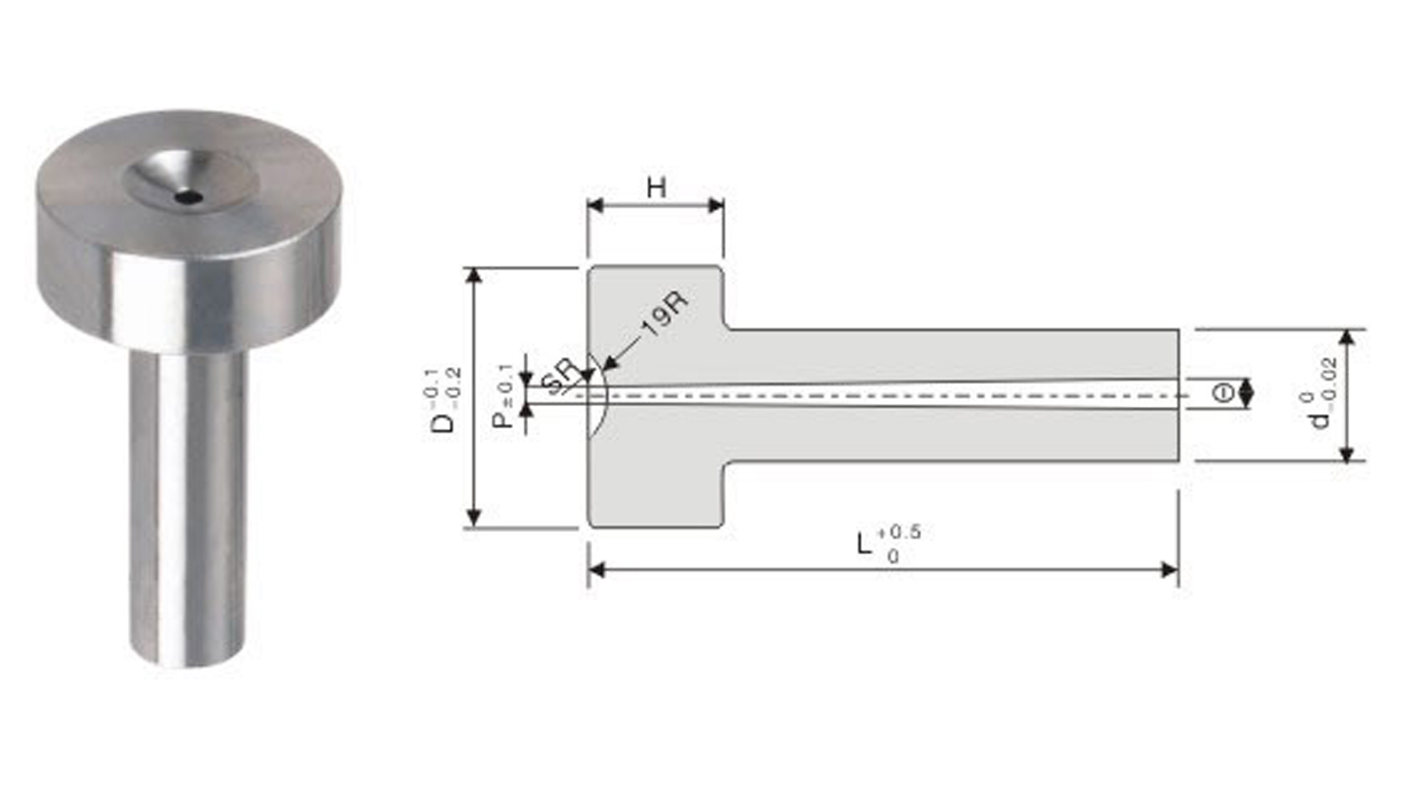
| D | H | Catalog No. | L Appint 0.01mm unit | SR | P | A | |
| Type | d | ||||||
| 25 | 15 | JH027 | 12 | 0~150.0 | 0 | 3.0 | 1o 2o 3o 4o |
| 30 | 11 | 3.5 | |||||
| 16 | 12 | 4.0 | |||||
| 35 | 13 | 4.5 | |||||
| 20 | 20 | 16 | 5.0 | ||||
訂購:39-C型灌嘴 JH027